Obiettivi ottici 850nm del telefono 21mm di Universal Mobile
Specifiche del prodotto
Luogo di origine:
Cina
Marchio:
Advance
Certificazione:
ROHS\Reach
Numero di modello:
Come requisiti
Quantità minima di ordine:
1
Prezzo:
$0.2~$100
Termini di pagamento:
T/T&L/C
Capacità di fornitura:
1000k/al mese
Dettagli del prodotto
Evidenziare:
Obiettivi ottici del telefono cellulare
,obiettivi ottici 850nm
,zoom della macchina fotografica del telefono cellulare di 21mm
Warranty:
-
Customized Support:
OEM, ODM
Usage:
Ottico, Ottico
Structure:
Piano-convesso, Piano-convesso
Shape:
Asferici, asferici
Material:
metallo+vetro
Size:
Dimensione personalizzata
Lens Diameter:
Personalizzato
Focal Length:
Personalizzato
Wavelength:
Personalizzato
Type:
Personalizzato
OEM:
SÌ
Port:
Shanghai
Interface Type:
Canon EF-S
Diameter:
25 mm
Centerthickness:
5 mm
Width Tolerance:
+/- 0,01mm
Style:
antico
Application Area:
Illuminazione, laser ecc
Shape:
Sferico
Focal Length Tolerance:
+/- 1%
Material:
vetro ottico
Operatingtemperature:
°C -20 - 70
Filter Ring Color:
Nero, Argento, Oro
Coating Choice:
Verde
Refractiveindex:
1.52
Focal Length:
150mm
Descrizione del prodotto
Lente universale all'ingrosso professionale su ordinazione del telefono cellulare della macchina fotografica
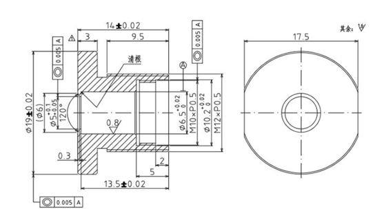
Specificazione
| Materiali | Metal+Glass |
| Lunghezza totale della pista | 21mm |
| Lunghezza focale | 14.5mm |
| Distorsione | <2> |
| Rivestimento | T> 99.8@850nm+ /-20nm |
| Soglia di danno | 50J/Cm^2 |
| Soglia della vite | M12*0.5-6g |
| Campo di applicazione | Laser |





Raccomandi i prodotti
Profilo aziendale

La tecnologia il Co., srl di Ottico-elettronica in anticipo di Shanghai è un'impresa basata sulla tecnologia di produzione, stabilita ufficialmente nel settembre 2009, il sito di pianta situato nel complesso industriale di Qingpu, Shanghai, soltanto l'azionamento di mezz'ora dall'aeroporto internazionale di Shanghai Hongqiao. La società riunisce parecchi technicans eccellenti nell'industria ottica, ha capacità sostenenti complete quali i servizi meccanici ed elettrici ottici di progettazione, di elaborazione e di vendite e di tutto cuore fornisce ad ogni cliente i prodotti di alta qualità e convenienti ed i servizi. Portata di affari: sviluppo meccanico ed elettrico ottico del modulo, elemento ottico di precisione elaboranti, elaborazione dell'obiettivo progettazione e, progettazione ottica e soluzione ottica di ottimizzazione del percorso, consultazione tecnica e servizio di assistenza al cliente. Campi di applicazione: visione artificiale, intelligenza artificiale, città biomedica e astuta, strumenti di qualità superiore di prove, del monitoraggio, attrezzature militari, incisione del laser, illuminazione speciale, istituzioni di ricerca scientifica, vantaggi della società ecc.:
1. Abbia capacità complete di progettazione, di produzione e di vendite e fornisca ai clienti i servizi convenienti di acquisizione della un-fermata; 2. Ha decine di migliaia di muffe e di campioni ottici, che possono fornire ai clienti i servizi di consolidamento veloci con basso costo; 3. possa partecipare presto a ricerca e sviluppo del nuovo prodotto del cliente, fornire i piani ed i suggerimenti fattibili e renda al progetto meno deviazioni;
Certificazioni

Mostra

Imballaggio & consegna


FAQ
Q: Che cosa sono i vostri prodotti principali o il quale fiefd fare i vostri prodotti è usato?
: Siamo specializzati nell'elemento ottico che elabora, complessivo obiettivo di design.optical, quale la lente sferica, asferica
la lente, lo specchio del riflettore, di Cylindarlens, la lente di Rod, del filtrante, gli obiettivi ecc ed i nostri prodotti ampiamente sono usati a questi archivati come
rappresentazione, laser, accendenti ecc.
Q: Che cosa è il vostro vantaggio?
1. Abbiamo circa i moduli di diecimila e le azione ottici di fixturesin ed impieghiamo parecchi tecnici e manager.that eccezionali
permetterà a di fornire la qualità eccellente del cliente nello shortleadtime, anche può conservare l'abbondanza di sviluppano il costo per il cliente.
2. Possiamo aiutare il cliente ad ottimizzare l'avversione di whichthey del sistema ottico e forniamo la soluzione o il suggerimento ottica libera.
: Siamo specializzati nell'elemento ottico che elabora, complessivo obiettivo di design.optical, quale la lente sferica, asferica
la lente, lo specchio del riflettore, di Cylindarlens, la lente di Rod, del filtrante, gli obiettivi ecc ed i nostri prodotti ampiamente sono usati a questi archivati come
rappresentazione, laser, accendenti ecc.
Q: Che cosa è il vostro vantaggio?
1. Abbiamo circa i moduli di diecimila e le azione ottici di fixturesin ed impieghiamo parecchi tecnici e manager.that eccezionali
permetterà a di fornire la qualità eccellente del cliente nello shortleadtime, anche può conservare l'abbondanza di sviluppano il costo per il cliente.
2. Possiamo aiutare il cliente ad ottimizzare l'avversione di whichthey del sistema ottico e forniamo la soluzione o il suggerimento ottica libera.
Q: Che cosa è il vostro MOQ?
: 10pcs.
: 10pcs.
Q: Che cosa è il vostro tempo d'esecuzione?
: 1day per l'inventario e 25~35days per il nuovo progetto.
Q: Che cosa è il vostro facilmente trasportabile?
: Solitamente da Fedex, da DHL, dal TNT, dallo SME ecc o dal cliente ha nominato.
Q: Che cosa è lo stato di pagamento?
: T/T, L/C, VISTO, Paypal, Alipay o negoziato.
Q: Che cosa è il vostro periodo di garanzia di qualità?
: Tre anni.
Q: Che cosa è il vostro facilmente trasportabile?
: Solitamente da Fedex, da DHL, dal TNT, dallo SME ecc o dal cliente ha nominato.
Q: Che cosa è lo stato di pagamento?
: T/T, L/C, VISTO, Paypal, Alipay o negoziato.
Q: Che cosa è il vostro periodo di garanzia di qualità?
: Tre anni.
imparentato prodotti
Contattate i nostri esperti e ottenete una consulenza gratuita!
La nostra missione è offrire "Alta Qualità", "Buon Servizio" e "Consegna Veloce" per aiutare i nostri clienti a ottenere maggiori profitti.